Temperature probe Pt1000TG7/C, CINCH connector, cable 5 meters
Temperature probes Pt1000TG7 are designed to measure the surface temperature of solid substances.
The maximum temperature range of use of the sensors is -50 to +200 °C and these limits must not be exceeded even for a brief period. 
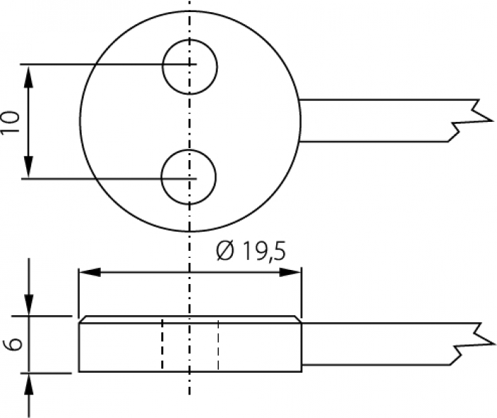
Used type of lead-in cable has silicone insulation and shielding. The structure of the sensors enables fast response to changes in temperature. The sensors are mounted to the surface using one or two M4 screws. 
The sensors are designed for use in a chemically non-aggressive environment. The method of use must be chosen with regard to the temperature and chemical resistance of the case and lead-in cable.
- 
									codeSN166C
- On request
Technical data
Measured value
												
													Temperature
												
											
							TEMPERATURE SENSOR
								Measuring range
								-50 to +200 °C
							
							
								Accuracy
								± (0.15 + 0.002 t) at °C
							
							
								Accuracy class
								A
							
							
								Time response
								t0.5 <10 s (on flat surface of Al prism without paste)
							
							
								Type of sensing element
								Pt1000
							
							
								Temperature coefficient
								3850 ppm / °C
							
						GENERAL TECHNICAL DATA
								Wire connection
								2-wire connection
							
							
								Material of the case
								brass
							
							
								Dimensions of the case
								height 6 ± 0.1 mm; 
diameter 19.5 ± 0.1 mm;
mounting holes diameter 4.3 ± 0.05 mm
							diameter 19.5 ± 0.1 mm;
mounting holes diameter 4.3 ± 0.05 mm
								Lead-in cable
								silicone shielded
							
							
								Length of lead-in cable
								5 meters
							
							
								Connector
								CINCH
							
							
								IP protection
								IP65
							
							
								Warranty
								30 months
							
						
 
         
         
         
         
         
         
         
         
         
         
         
									 
									 
									 
								 
								 
								 
													 
										 
										