Temperature probe Pt1000TG7/0, without connector, cable 10 meters
Temperature probes Pt1000TG7 are designed to measure the surface temperature of solid substances.
The maximum temperature range of use of the sensors is -50 to +200 °C and these limits must not be exceeded even for a brief period.
Used type of lead-in cable has silicone insulation and shielding. The structure of the sensors enables fast response to changes in temperature. The sensors are mounted to the surface using one or two M4 screws.
The sensors are designed for use in a chemically non-aggressive environment. The method of use must be chosen with regard to the temperature and chemical resistance of the case and lead-in cable.
-
codeSN167
- On request
Technical data
Measured value
Temperature
TEMPERATURE SENSOR
Measuring range
-50 to +200 °C
Accuracy
± (0.15 + 0.002 t) at °C
Accuracy class
A
Time response
t0.5 <10 s (on flat surface of Al prism without paste)
Type of sensing element
Pt1000
Temperature coefficient
3850 ppm / °C
GENERAL TECHNICAL DATA
Wire connection
2-wire connection
Material of the case
brass
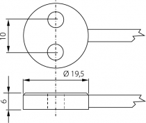
Dimensions of the case
height 6 ± 0.1 mm;
diameter 19.5 ± 0.1 mm;
mounting holes diameter 4.3 ± 0.05 mm
diameter 19.5 ± 0.1 mm;
mounting holes diameter 4.3 ± 0.05 mm
Lead-in cable
silicone shielded
Length of lead-in cable
10 meters
Connector
without connector
IP protection
IP65
Warranty
30 months
