Flow chamber for compressed air measurement up to 25 bars
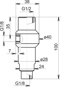
Flow chamber for compressed air measurement up to 25 bars - stainless steel DIN 1.4301 inlet and outlet connection - G1/8 thread humidity probe connection - G1/2 thread screw-coupling not included.
-
codeSH-PP
- On request
